I am trying to connect a new ceiling fan to an existing line. I want to install a second switch next to an existing light switch and power the fan through the line going to the existing switch. The power source goes to the light first, and then a hot, neutral and ground run to the existing switch. Is there anything wrong with me connecting that hot and neutral to separate pigtails, and then running the hot and neutral separately to the two switches to power the new fan? I couldn't find any wiring diagrams that describe this specific kind of situation.
							
						
					Announcement
				
					Collapse
				
			
		
	
		
			
				No announcement yet.
				
			
				
	
Adding a new swtich
				
					Collapse
				
			
		
	Forum Top GA Ad Widget
				
					Collapse
				
			
		
	X
- 
	
	
	
		
	
	
		
		
		
		
		
		
		
	
	
 The existing switch controls the light where the power source is attached. I have since learned that it is not a hot and a neutral coming into the existing switch - what I have instead is a switch loop. So I'm wondering if a can simply run a second switch loop out of the power going into the light. Can I pigtail into the hot wire coming into the light with new black wire, run that to the new switch, then connect a black wire from the other side of the new switch to the fan. Then run the white wire from the fan back into the switch box and connect it to the white going back into the source light (making sure to put black tape on the ends of both white wires. Does this sound correct?Originally posted by HayZee518 View Postwhat does the existing switch feed? I'm trying to get an idea what you got and what you want.
 Comment
- 
	
	
	
		
	
	
		
		
		
		
		
		
		
	
	
 Thank you for the wiring diagram, but it doesn't really describe my situation (which is my fault for not describing it better.). The light and the fan are physically separated. It is not a normal bathroom installation, but a fan add-on in my office to help boost air conditioning flow during the summer months. I have power coming into the existing light and one black, one white, and one ground running from the light to the switch box. I've already installed the fan with one black, one white, and one neutral running from the fan to a larger box that will fit the two switches (the original switch for the light + the new switch for the fan). So I'm wondering if a can simply run a second switch loop by pigtailing into the hot wire coming into the light with new black wire, run that to the new switch, then connect the black wire from the other side of the new switch to the fan. Then run the white wire from the fan back into the switch box and connect it to the white going back into the source light (making sure to put black tape on the ends of both white wires. Does this sound correct?
 Comment
- 
	
	
	
		
	
	
		
		
		
		
		
		
		
	
	
 fan & light
 
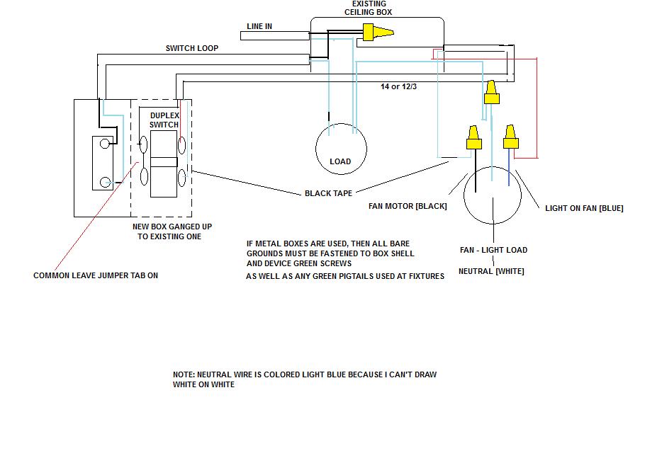
 OK, I re-drew the diagram using two switch loops all getting power from your center ceiling box.
 a two wire goes from your ceiling box to the fan junction box.
 a tweo wire goes from your two gang to the ceiling box.
 all splices are in the ceiling box except what you need to connect at the fan location.
 Comment
- 
	
	
	
		
	
	
		
		
		
		
		
		
		
	
	
 lights, camera, action!
 
 not to confuse you more but you can reduce the number of cables going to your two gang box by using a three wire. colored, red, black and white plus a ground, the white [taped] would be your feeder. the black would be one switch loop, the red the other switch loop. you still would need a two wire from the center box to your remote fan location.
 Comment
- 
	
	
	
		
	
	
		
		
		
		
		
		
		
	
	
 I'd like to avoid having to run out and purchase a 3 wire since I have plenty of two wire available, but you brought up another question. I already have 3 separate cables going into the center box. I'm going to have to add two more cables going into it (one from the new switch and one from the fan), but there is only 1 clamp down-spot available. Is it appropriate to clamp two wires together in the same spot or is that a big no-no? If so, is there any other way to get this done without having to get the 3 wire?
 Comment
- 
	
	
	
		
	
	
		
		
		
		
		
		
		
	
	
 switches
 
 if you would go to ELECTRICAL section, ILLUSTRATIONS, Page 2, thread 12, you will find diagrams of electrical boxes.
 Ceiling boxes come in many flavors. Some are metal, some are plastic.
 Some have back bar brackets spanning the space between two joists, other just nail onto the side of a joist.
 Plastic boxes also nail onto a joist.
 Others are called old work metal or plastic boxes.
 These have ears that turn outward when their binding screws are turned and wedge themselves into place.
 Plastic boxes have four cable entrances, metal have four entrances plus two 7/8" holes that accept a standard 1/2 inch conduit or cable fitting.
 A wire clamp in the metal box uses a 10-24 or 10-32 thread to hold the cables in place.
 you could salvage a clamp and screw from another box to help you add another set to the box [as you stated] you need.
 Another fitting is a duplex romex fitting that will fit one of the 1/2 inch knockouts in the side of the box.
 Comment




Comment