Hello - My girlfriend and I recently purchased our first house and I have a question regarding a light that stopped working.
We have an outdoor security light that is controlled by two three-way switches, one upstairs and one downstairs. We are doing some minor decor changes and I purchased two new three-way switches to replace the old. However, like an idiot I did not mark down what wires went where and now cannot figure out the way they should be. Attached are some pictures of what I have going on:
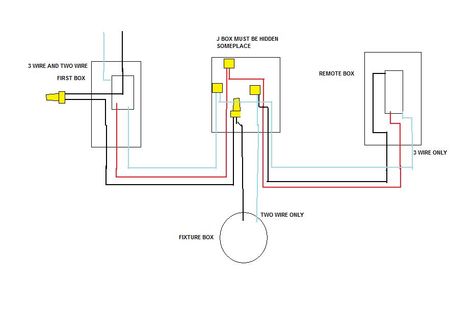
This illustration shows the current layout of things. (yellow is the cable shroud)

In an effort to find the hot wire, I turned the breaker on and began testing with my multimeter. I was unable to find power on any of the loose wires in either of the switch boxes. I then removed the tape from the two black wires in the "Downstairs" switch box and found the black wire coming from the two-wire cable had 120v. I have also confirmed continuity between the red and white wires in the three-wire cable when the two are connected directly to each other in the "Downstairs" switch box and the probes of my multimeter are touched to the red and white wires in the "Upstairs" box. This light and switches seem to be the only things connected to this breaker. I do not know if there are any other wiring connections (junction boxes) between the switch boxes and the outdoor light.
Any help you have on wiring the switches would be greatly appreciated.
Here are two actual pictures of the switch boxes:
Downstairs Switch Box: (I reconnected the two blacks as they were originally)

Upstairs Switch Box:
We have an outdoor security light that is controlled by two three-way switches, one upstairs and one downstairs. We are doing some minor decor changes and I purchased two new three-way switches to replace the old. However, like an idiot I did not mark down what wires went where and now cannot figure out the way they should be. Attached are some pictures of what I have going on:
This illustration shows the current layout of things. (yellow is the cable shroud)
- The two black wires in the "Downstairs" switch were twisted/taped together and folded into the back of the box, not connected to the switch.
- The three remaining wires in the "Downstairs" switch were all connected to the old switch.
- I took off the outdoor light cover and it only has one white wire and one black wire coming into it.
- The "Upstairs" switch had all three wires connected to the switch
- Looking into the switch boxes, I can tell the wires are grouped into cable shrouds as shown.
In an effort to find the hot wire, I turned the breaker on and began testing with my multimeter. I was unable to find power on any of the loose wires in either of the switch boxes. I then removed the tape from the two black wires in the "Downstairs" switch box and found the black wire coming from the two-wire cable had 120v. I have also confirmed continuity between the red and white wires in the three-wire cable when the two are connected directly to each other in the "Downstairs" switch box and the probes of my multimeter are touched to the red and white wires in the "Upstairs" box. This light and switches seem to be the only things connected to this breaker. I do not know if there are any other wiring connections (junction boxes) between the switch boxes and the outdoor light.
Any help you have on wiring the switches would be greatly appreciated.
Here are two actual pictures of the switch boxes:
Downstairs Switch Box: (I reconnected the two blacks as they were originally)
Upstairs Switch Box:



Little about a lot and a lot about a little.
Comment