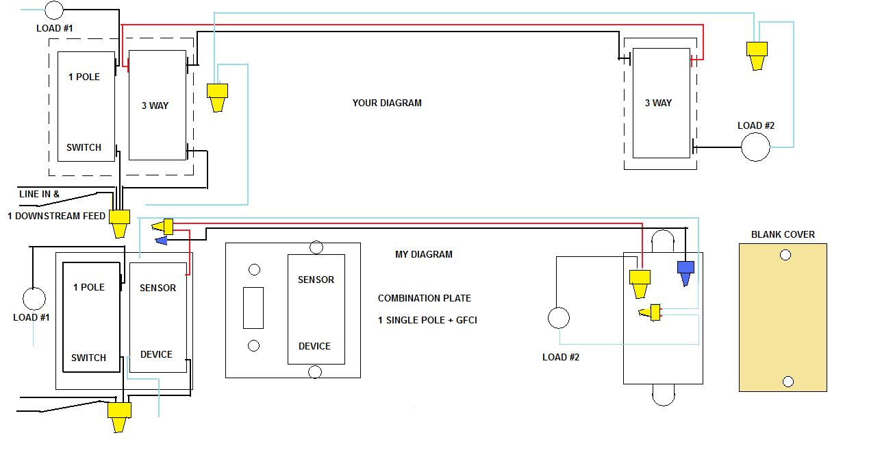
I'd like to install a sensor in the laundry room. I've searched the net and can't find a product to meet these two criteria:
Does anyone know of a drop-in product out there like this? I'd really like to avoid installing a new box, cutting drywall, etc.
TIA
- sensor will operate a three-way light circuit.
- sensor will replace an existing standard light switch in a dual box (two switches, one for laundry, other for garage)
Does anyone know of a drop-in product out there like this? I'd really like to avoid installing a new box, cutting drywall, etc.
TIA



Comment