Thank you for your diagram & a the Carrier Bryant Part# I did not see it until now. This is a great help to me and I'm gratefulfor your time. I'm not clear on what youwere getting at in regards to a "can of worms"
Announcement
Collapse
No announcement yet.
Line Voltage Conversion to 24v
Collapse
Forum Top GA Ad Widget
Collapse
X
-
control box contents
those two black things are terminals. what will you need the transformer for???
You need the transformer to step down your line voltage to a usable 24 volts for the coils of the contactors through your digital thermostat.
Isn't that what you said in your first posting?
Comment
-
heat
I need more information from you.
give me the stock number of the thermostat.
what you said, you said thermostat requires a negative 24 and a positive 24 plus a third wire for heat.
evidently the stat needs to be powered with 24 volts all the time.
the third leg will be your switched line, hence the three wires.
if that be the case then the [top] wire of my diagram will be the switched line from the stat.
the terminal strips can be gotten from radio shack.
Comment
-
I'm installing a Honeywell product from a local Home Center. Model Number: RTH8580WF1007W This site wont let me upload the link to the Home center. It reads I'm not allowed until I have completed 15 posts. I wish I could have just given you a direct link. It sounds like you have an idea on how to make this work. Thanx again
Comment
-
heater
I used the stock number to access the honeywell site for installation instructions.
the video-s for installations is:
wifithermostat dot com
your model is an "85"
their toll free number is: 1-855-733-5465
access: central time.
I'll call them when the time is right.
what I want to know from them is which terminals are the hot 24 volts.
In the video they keep refering to the C wire as a common, but for the thing to function I got to know which two are 24 volts, the third will be switched. the video doesn't show this.
wiring will be like for a gas valve - a switched lead to turn on the gas valve, or in your case, the switched wire to energize your relays.
if it refers to a heat anticipator, don't worry about this we'll find something.
Comment
-
heat
I found out the information I needed.
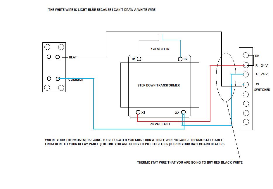
Furnaces are wired with a unique wiring code. But because you are just adding relays to operate three heaters we are just going to use a basic three wire thermostat cable that you can buy. the wires inside should be a black, a red, and a white. if there's a green also don;t use it. tape it off or something.
Run this thermostat cable from where you are mounting the thermostat, all the way back to where the relay box will be located.
Open up one knockout for this wire.
For each heater you will need two knockouts removed - one for power in, one for out to the heater
your 120 volt supply to the transformer will require one knockout removed.
The connections at the thermostat are RH - R C & W. RH & R are factory jumpered out don't remove.
Comment
-
Nice, Thank you. Honestly that is how I thought it would be. My Challenge is identifying the name of thepart required as well a product number that would apply. Any thoughts on how I would be able to tiethis into a Single Device or will I have to wire an individual device for eachBB, or even better in the event of failure would I be better off to have eachBB on its own, for trouble shooting issues? Incidentally I recently ran a 4 Conductor wire between my Stat &Relay/Definite Contactor/Breaker Box. Only because Ihad some 18/4 lying around & I will follow your advice & go as far asmarking it or even cutting it out flush. I think I'm almost ready to do this. Short of some Name Brand Products & Part Numbers. I will be in the Cat Seat to get this project done. I'm very excited. Funny enough & that is if you are like me. Often I will have ideas in the back of my mind & just have to move forward on there completion. I CAN NOT EXPRESS ENOUGH HOW MUCH THIS MEANS TO ME. Thank you.Originally posted by HayZee518 View PostI found out the information I needed.
Furnaces are wired with a unique wiring code. But because you are just adding relays to operate three heaters we are just going to use a basic three wire thermostat cable that you can buy. the wires inside should be a black, a red, and a white. if there's a green also don;t use it. tape it off or something.
Run this thermostat cable from where you are mounting the thermostat, all the way back to where the relay box will be located.
Open up one knockout for this wire.
For each heater you will need two knockouts removed - one for power in, one for out to the heater
your 120 volt supply to the transformer will require one knockout removed.
The connections at the thermostat are RH - R C & W. RH & R are factory jumpered out don't remove.
[ATTACH=CONFIG]2268[/ATTACH]
Comment
-
heat
ok, I realize what you have. I thought it would be easier to begin with a 120 volt control transformer, rather than involving a 240 volt transformer. But if that is the route you want to take, then Il put together a shopping list for that. by the way nothing else changes except using a 240 volt to 24 volt step down transformer.
your next question.
The first diagram took into account that you had three bb heaters you wanted to control.
each contactor is capable of handling 30 amps. so if your combined load is less than 30 I don't see why you couldn't use one contactor for all three.
to figure out the current draw, take your individual heater wattage and divide by 240 to get amps. now add the amps together.
if two of them add up to ,say, 26 amps and the last heater is 12 amps, then you would have to use two contactors.
yes I know the end result would be a box that looks like a mish mash of wires but you can't get away from it.
I'll put together a shopping list and post it later.
Comment
-
heat
Here is a partial list - enclosure, terminal strips and step down transformer 240 pri to 24 volt secondary
Q302013PCI : J Box Type 4X / Screw Cover - Hoffman: Home
CAT# TS-204 - All Electronics | Electronic and Electro-Mechanical Parts and Supplies at Discount Prices - X2
GN4X745 Class II, 240 Primary (Input) Voltage, 24 Secondary (Output) Voltage, VA Rated 20 .0 lbs. $21.15 Usually Ships Within 1 Week
Dultmeier.com | Car Wash Supplies, Ag Sprayer Parts, Equipment, Pumps
the url-s follow each item.
Comment



Comment